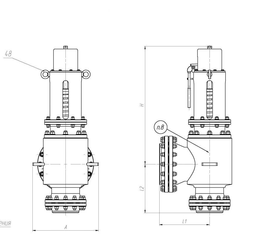
Safety valves series C.KP, type C.KPUF - safety angle flanged - are control valves in the safety device, which is designed to protect against excessive water pressure in pipelines, vessels operating under overpressure and other systems (objects) TPP, CHPP and GRES. This type of valves is designed and recommended as an analogue of valves manufactured by Leser GmbH&Co.KG (Leser). They are used as water flow regulators and are installed on pipelines as part of a recirculation pumping unit.
Diameter |mm|: 100 to 500;
Design pressure |MPa|: from 0,63 to 6,3;
Medium temperature |ºC|: from 100 to 350;
Medium: liquid, vapour, gas.
Tell us what you need and get quotes from verified suppliers