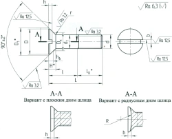
Countersunk Screws OST 1 31161-80

Countersunk Screws OST 1 31161-80

US$0.06-0.60
Product diameter: M4-M10
Product diameter: M4-M10
AVIASERVIS LLC 🇷🇺