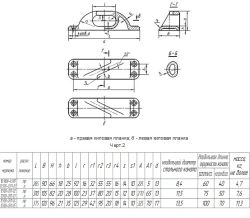
Type 1 Cast Iron Deck Cleats (Oblique) GOST 11264-73

Type 1 Cast Iron Deck Cleats (Oblique) GOST 11264-73

US$3-18
Material: cast steel
Material: cast steel
METMASH LLC 🇷🇺