Food and Technological Pipeline Distribution System for Evaporators

Food and Technological Pipeline Distribution System for Evaporators

US$900-6,000
Geometric dimensions: to the customer's specifications
Material of manufacture: Food grade stainless steel AISI 304
ZMM I PO LLC 🇷🇺
Planned and Emergency Cooling System Pipelines 1st Circuit and Pool Cooling

Planned and Emergency Cooling System Pipelines 1st Circuit and Pool Cooling

US$30,000-180,000
Nominal steady-state pressure: 16.5
Design pressure: 17.64
ZIO-PODOLSK OJSC 🇷🇺
Emergency Cooling Zone Pipeline System for Reactor Connection

Emergency Cooling Zone Pipeline System for Reactor Connection

US$9,000-36,000
Design weight: 21803
Operating temperature: 328.8
ZIO-PODOLSK OJSC 🇷🇺
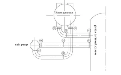
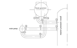
Main Circulating Pipeline for Heat Transfer in Reactor Systems

Main Circulating Pipeline for Heat Transfer in Reactor Systems

US$6,000-120,000
IZHORA PLANTS PJSC 🇷🇺