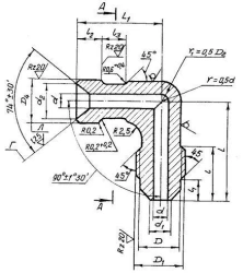
Pipe Fitting Elbows for Pipeline Connections (GOST 13977-72)

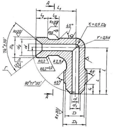
Pipe Fitting Elbows for Pipeline Connections (GOST 13977-72)

US$3-60
Piping nominal diameter: 3...38
Pressure: 15...24
AEROTECH LLC 🇷🇺