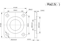
Retaining Element Foundation - Technical Specifications Included

Retaining Element Foundation - Technical Specifications Included

US$0.30-2.40
Diameter: 60
Length: 17
AEROTECH LLC 🇷🇺